
3051壓力變送器
測量范圍:額定量程 0-0. 125~1.6KPa、0-1.3~8KPa 、0-6.2~40KPa 、0-31. 1~250KPa
單端最大靜壓 6Mpa、 8Mpa 、 10Mpa 、 10Mpa
額定量程 0-0.117~1MPa 、0-0.345~2.5MPa
單端最大靜壓 10Mpa 、 13Mpa
精度: 量程比<5:1:≤+0.1 % FS、量程比≥5:1:≤+0.25 % FS
產品概述
GJM3051智能壓力變送器是本廠采用國際先進技術,聯合國內多方技術力量,共同研制開發的新型智能儀表。本儀表采用微處理器技術進行溫度補償和非線性補償,從而大幅度提高儀表測量精度,改善溫度特性,擴展了量程比,增添了智能組態功能,進一步滿足 了工業現場儀表高可靠、高穩定要求。關鍵元器件和零部件均采用進口,整機經過嚴格測試后出廠。具有設計原理先進,產品質量可靠,品種規格齊全,安裝使用簡便等特點。
產品參數
輸出信號: DC4- 20mA+HART協議
輸出方式: 線性輸出平方根輸出 ( 可通過組態軟件進行遠程調整)
測量范圍:額定量程 0-0. 125~1.6KPa、0-1.3~8KPa 、0-6.2~40KPa 、0-31. 1~250KPa
單端最大靜壓 6Mpa、 8Mpa 、 10Mpa 、 10Mpa
額定量程 0-0.117~1MPa 、0-0.345~2.5MPa
單端最大靜壓 10Mpa 、 13Mpa
零點與量程:可用本機量程和零點按鈕調整,或用HART 手持智能終端遠程調整。
零點正、負遷移:零點負遷移時,量程下限必須大于或等于-URL;零點正遷移時,量程上限必須小于或等于+URL。檢驗量程必領大于或等于最小量程。
陽尼時間常數:時間常 數可調,以0. 1秒遞增,由最小至32秒,如阻尼時間為0時默認0. 1。
環境溫度極限:普通型 -40至85°C液晶表頭 -20至70°C
過程溫度極限: -40至104°C
貯存溫度極限: -40至85°C
環境濕度: 095%相對濕度
容積變化量:小于0. 0lin (0. 16cm)
(零基準校驗范圍,參考條件下,硅油充液,316L不銹鋼隔離膜片)
精度: 量程比<5:1:≤+0.1 % FS、量程比≥5:1:≤+0.25 % FS
穩定性: 6個月,土0. 5%URL
環境溫度影響: -29至85C 零點誤差: 0. 5%URL/56C,總體誤差: <0.5%URL.+0. 2%校驗量程) /56C
振動影響: 在任意軸向上, 200Hz 下振動影響為0.2%URL/g
電源供電范圍: 12 ~ 36VDC
本安防爆: Exia ICT6Ga注:本質安全必須經由安全柵或本安電源供電
安裝位置影響:零 點漂移至多為土0.25Kpa.所有的零點漂移都可修正掉;對量程無影響。
負載影響: 沒有負載影響,除非電源電壓有變化。
負載特性: 電流型負載≤l (Us-12) +0. 02 (Us=供電電壓)Ω

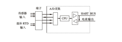
工作原理
智能電路板采用先進的集成電路和SMT技術,將轉換電路,處理電路集中在1塊電路板上。
變送器的微處理器控制A/D和D/A轉換模塊的工作,同時也完成數字通訊和自診斷功能。工作時,微處理器控制A/D轉換模塊對來自敏感元件的模擬信號進行采樣轉換,并轉換成數字信
號。微處理器對數字信號進行處理,包括信號線性化,溫度補償,工程單位轉換等。微處理器也能完成傳感器的特征化,量程,阻尼時間以及其它功能。E PROM存儲所有組態及微調參
數,由F存儲器是非易失性的,所以存儲的參數在斷電后不會丟失。

安裝方式



技術選型

地質監測儀表
活塞式壓力計/壓力源
- GM系列活塞式壓力計
- 臺式液體壓力源
- 臺式氣體壓力源
- 氣體活塞壓力計
- 活塞式壓力真空計
- YS改良型活塞壓力計
- 活塞式壓力計
- 電動微壓標準器
- 氣體減壓器校驗儀
- 氧氣表壓力表兩用校驗器
- 壓力表校驗器校驗儀
- 活塞壓力計數字顯示系統
- 空盒氣壓表檢定裝置
- 電動微壓源
- 全自動液體壓力源
- 管道試壓壓力天平
- 浮球壓力計
- 全自動活塞壓力計
- 便攜式液體壓力源
- 電動壓力源
液位儀表
- 80G超高溫雷達物位計
- 電廠專用四氟高頻雷達物位計
- 側裝磁翻板液位計
- 雷達水位計
- 26G油罐專用雷達液位計
- 26G強腐蝕雷達液位計
- 26G高頻雷達物位計
- 80G調頻雷達液位計
- 80G桿式射頻導納物位開關
- 液位顯示控制箱
- 投入式液位變送器
- 80G纜式射頻導納物位開關
- 桿式導波雷達
- 激光雷達料位計
- 連桿浮球液位計
- 靜壓式水準儀
- 河道浮子液位計
- 液位變送器
- 26G粉塵雷達物位計
- 26G高溫雷達物位計
密度計
- GJM-SHJ型石灰漿液在線密度計
- GJM-JJ型酒精在線密度計
- GJM-85管道密度計
- 差壓式密度計
- 分體式密度傳感器
- 濃度計
- 衛生型密度計
- 耐高溫音叉密度計
- 管道式音叉密度計
- 直管密度計
- 便捷式音叉密度計
- GJM-KG型(卡箍安裝形式)音叉式濃度計
- GJM-QFS氫氟酸專用濃度計
- GJM-YS鹽酸專用濃度計
- GJM-LS硫酸專用濃度計
- GJM-YS型鹽酸在線密度計
- GJM-KG型音叉式密度計(卡箍安裝形式)
- GJM-AS型氨水在線密度計
- GJM-XS硝酸專用濃度計
- GJM-NS型尿素濃度計
物聯網無線溫壓變送器
- Cat1無線溫度變送器
- loRa壓力變送器(高溫型)
- NB無線液位變送器
- NB無線溫度變送器
- NB無線壓力變送器
- 電解液無線變送器
- CAT1無線溫濕度變送器
- CAT1無線壓力變送器
- GNSS自動檢測站
- 無線雷達水位計
- 無線流量計
- 無線磁致伸縮液位計
- 無線浮球液位計
- 無線差壓變送器
- 無線溫壓變送器
- 油田專用壓力變送器
高精度壓力表
- 防爆數字壓力表
- 數字壓力控制器
- 計量級數字壓力表
- 精密數字壓力表
- 計量級精密壓力表
- 臺式數字壓力表
- 特殊精密壓力表
- 各類普通壓力表
- 智能數字壓力校驗儀
- 高精度大氣壓力計
- 氣密性測試儀
- 高精度壓力模塊
- 存儲型數字壓力表
流量儀表
- 智能一體式渦街流量計
- 溫壓補償一體化渦街流量計
- 插入式渦街流量計
- 智能氣體渦輪流量計
- MF4003/4008微小氣體流量流量計
- 智能一體式電磁流量計
- 羅茨流量計
- 圓齒輪流量計
- 智能氣體旋進旋渦流量計
- 一體式孔板流量計
- 液晶顯示金屬管轉子流量計
- 就地顯示金屬管轉子流量計
- MF5706/08/12氣體質量流量計
- 手持式超聲波流量計
- 固定外夾式超聲波流量計
- 智能液體渦輪流量計
- 插入式電磁流量計
- 分體式電磁流量計
壓力變送器
熱工校驗儀
- 全自動溫度檢定系統
- 便攜式全自動壓力檢定系統
- 全自動壓力檢定系統
- 高精度溫度顯示儀
- 干體式校驗爐
- 溫度檢定爐
- 恒溫水槽
- 恒溫油槽
- 便攜式熱電偶校驗儀
- 便攜式熱電阻校準儀
- 信號過程校驗儀
- 壓力表檢定附件產品

